欢迎来到名立电气!
网站首页
|
联系我们
|
关注我们
0577-62715103
中国高压配套产品生产商
首页
关于名立
产品总汇
新闻动态
成功案例
人才招聘
联系方式
公司简介
企业文化
六氟化硫断路器
户外高压真空断路器系列
户内高压真空断路器系列
户外高压隔离开关系列
跌落式熔断器
氧化锌避雷器
高压穿墙套管
复合相间间隔棒
行业动态
公司新闻
六氟化硫断路器
户外高压真空断路器系列
户内高压真空断路器系列
户外高压隔离开关系列
跌落式熔断器
氧化锌避雷器
高压穿墙套管
复合相间间隔棒
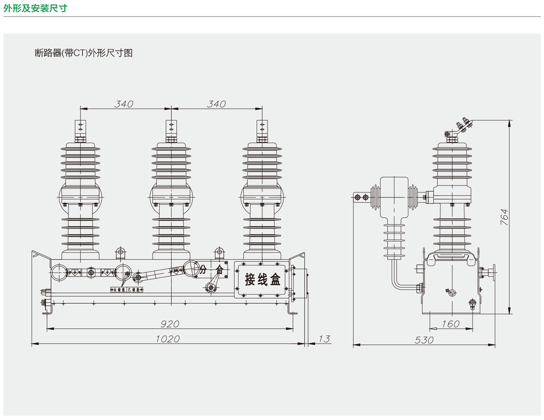
ZW32-12F户外高压真空断路器/智能型
所属:
户外高压真空断路器系列
返回列表
服务热线:0577-62715103
打印当前页
放入收藏夹
发邮件给我
分享到:
产品描述
产品推荐
LW36-145户外高压交流六氟化硫断路器
LW-252户外高压交流六氟化硫断路器
LW36-126T3150-40高压交流SF6罐式断路器
ZW32-12F智能型户外高压真空断路器
LW36-72.5瓷柱式高压交流六氟化硫断路器
VS1-12系列户内高压真空断路器
GW4-10/35/66/100(DDW)型户外高压隔离开关
HY10WZ-108/281
10KV 复合穿墙套管
24KV复合穿墙套管
欧式电缆分接箱
NCX型跌落式熔断器
返回列表
关于名立
公司简介
企业文化
新闻资讯
行业动态
公司新闻
产品总汇
六氟化硫断路器
户外高压真空断路器系列
户内高压真空断路器系列
户外高压隔离开关系列
跌落式熔断器
氧化锌避雷器
高压穿墙套管
复合相间间隔棒
联系我们
联系方式
在线留言
快速链接
百度
加盟热线
0577-62715103
Copyright © 2019 浙江名立电气有限公司 All Rights Reserved.版权所有
浙ICP备19006296号-1
浙33038202004053号
返回顶部
0577-62715103
在线咨询
微信公众号